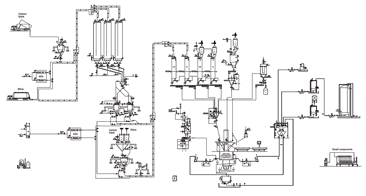
Linhas de Mistura Automáticas e Semi-Automáticas